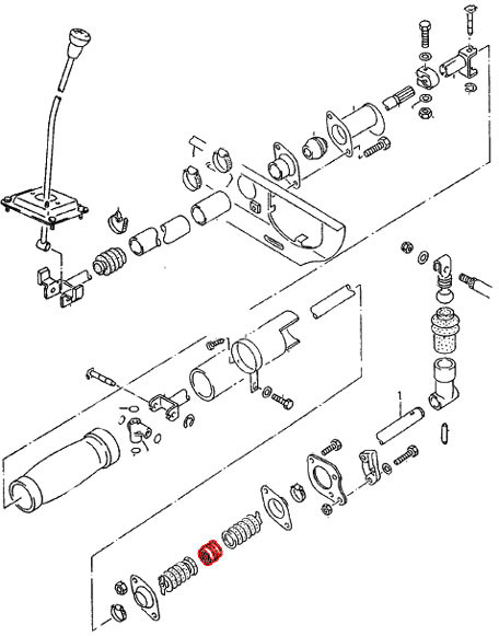
Bague guide de tringlerie arrière, 5/1987-7/1992

Référence 251 711 207 E
3,96
Info tarif
FRANCE PRIX HT (3.3€) + TVA (0.66€) = Prix client TTC (3.96€)
Disponibilité
Stock

32 en stock

Description

Bague plastique où coulisse la tringle.

Caractéristiques
Marques et Qualités
Qualité garantie

Compatibilité Modèles T3 (T25)

Cette pièce est présente sur les modèles suivants, attention aux ANNÉES DE MONTAGE, référez-vous bien au libellé de l'article.
1900cc ESSENCE 9/1982-7/1992 (DG,SP) 4 cylindres 73/78 ch / 54/57 Kw REFROIDISSEMENT LIQUIDE
2100cc ESSENCE 8/1985-7/1992 (DJ) 4 cylindres 112 ch / 82 Kw REFROIDISSEMENT LIQUIDE
1600cc TURBO DIESEL 8/1984-7/1992 (JX) 4 cylindres 70 ch / 51 Kw
1700cc DIESEL 10/1986-7/1992 (KY) 4 cylindres 57 ch / 42 Kw